Сегодня 16 мая 2026
18+
MWC 2018 2018 Computex IFA 2018
реклама
Корпуса, БП и охлаждение

Система жидкостного охлаждения MSI MPG CoreLiquid P13: добавили эстетики и экран

⇣ Содержание

Пока микросхемы памяти кратно дорожают и исчезают из продажи, а Intel, AMD и NVIDIA занимаются переносом новых процессоров на более поздние сроки, производители систем охлаждения не дают скучать пользователям персональных компьютеров. Причём, речь не столько о классических воздушных кулерах (хотя и их анонсируется в достатке), сколько о системах жидкостного охлаждения необслуживаемого типа. Одной из таких новинок стала AiO СЖО MPG CoreLiquid P13 компании MSI, которая оснащена новой помпой с крышкой-экраном, скрытой кабельной системой с проприетарным коннектором и фирменными вентиляторами CycloBlade 9. Похожую систему MAG CoreLiquid A13 360 мы тестировали летом этого года на платформе с процессором Intel. Теперь же пришла пора проверить эффективность новинки на платформе с флагманским процессором AMD.

#Технические характеристики и стоимость

Наименование характеристик MSI MPG CoreLiquid P13
Радиатор
Размеры (Д х Ш х В), мм 394 × 120 × 27,0
Размеры оребрения радиатора (Д х Ш х В), мм 359 × 117 × 20,5
Материал радиатора Алюминий
Число каналов в радиаторе, шт. 12
Расстояние между каналами, мм 7,5
Плотность радиатора, FPI 20~21
Термическое сопротивление, °C/W н/д
Объём хладагента, мл н/д
Вентиляторы на радиаторе
Количество вентиляторов 3
Модель вентилятора MSI CycloBlade 9 (DF1202512RFMN)
Типоразмер 120 × 120 × 26,5
Диаметр крыльчатки/статора, мм 110,5 / 45,5
Количество и тип подшипника(ов) 1, Rifle
Скорость вращения, об/мин 500–2050 (±150) (ШИМ-регулировка)
Максимальный воздушный поток, CFM 64,89 (макс.)
Уровень шума, дБА н/д
Максимальное статическое давление, мм H 2 O н/д
Номинальное/стартовое напряжение, В 12 / 3,0
Энергопотребление: заявленное (измеренное), Вт 1,68 / 1,48
Срок службы, часов/лет 40 000 / >4,6
Масса одного вентилятора, г 153
Длина кабеля, мм 800
Помпа
Размеры (Д х Ш х В), мм 85 × 80 × 73
Производительность, л/ч н/д
Высота подъёма воды, м н/д
Скорость ротора помпы (заявленная/измеренная), об/мин 3400 (±10%) / 3400
Тип подшипника н/д
Срок службы подшипника, часов/лет 50 000 / >5,7
Номинальное напряжение, В 12
Энергопотребление: заявленное/измеренное, Вт 2,52 / 2,47
Уровень шума, дБА 20
Длина кабеля, мм 420
Водоблок
Размеры основания водоблока, мм 44 × 42
Материал и структура Медь, микроканальная структура
Совместимость с платформами AMD Socket AM4/AM5
Intel LGA1700/1851
Дополнительно
Длина шлангов, мм 370
Внешний/внутренний диаметр шлангов, мм 11,5 / 6
Теплоноситель Нетоксичный, антикоррозионный (пропиленгликоль)
Максимальный уровень TDP, Вт н/д
Термопаста В отдельном шприце
Подсветка Крышки помпы (с IPS-экраном 2,1”) и вентиляторов (адресуемая)
Масса системы в сборе, г 1 712
Гарантийный срок, лет 3
Страна производства Китай
Розничная стоимость, ₽ 11 600

#Упаковка и комплектация

Картонная коробка, в которой поставляется MSI MPG CoreLiquid P13, выглядит очень ярко и стильно. На её лицевой стороне приведено крупное фото СЖО с работающими вентиляторами и помпой, а ниже указана серия и модель системы. На противоположной стороне коробки внимание концентрируется на экране помпы с «каруселью» из разных режимов его работы.

Технические характеристики СЖО размещены на одном из торцов упаковки, где также можно найти перечень поддерживаемых процессорных сокетов и QR-коды на загрузку программного обеспечения.

В цветную коробку вставлена корзина из пористого картона с отсеками под компоненты системы жидкостного охлаждения. Это достаточно надёжная упаковка, выдерживающая все перипетии российско-китайской доставки.

Комплектующие СЖО находятся в отдельной коробочке, к которой прилагается гарантийная памятка. А вот бумажной инструкции по установке в комплекте MPG CoreLiquid P13 почему-то не нашлось.

В коробочке находятся усилительная пластина для Intel, четыре набора винтов, втулок и шпилек, декоративная панель и термопаста.

MSI MPG CoreLiquid P13 выпускается в Китае. Стоимость СЖО в России составляет 11600 рублей, гарантия – 3 года.

#Особенности конструкции

Система жидкостного охлаждения MSI MPG CoreLiquid P13 доступна в белом и чёрном оформлении. Как раз последний вариант мы сегодня и тестируем.

Система построена по классической схеме, когда 360-мм радиатор соединён двумя гибкими шлангами трубками с блоком помпы и водоблока.

Внешне модель MPG CoreLiquid P13 почти не отличается от ранее протестированной нами MAG CoreLiquid A13 360, разве что дизайн водоблока здесь другой.

Общая масса системы без учёта креплений, монтируемых на материнскую плату, составляет 1712 граммов, – плюс-минус обычное значение для СЖО 360-мм форм-фактора.

Радиатор выполнен из алюминия, его размеры равны 394 × 120 × 27 мм. При этом размеры так называемого «рабочего тела» радиатора (плоские каналы и перфорированная лента между ними) составляют 359 × 117 × 20,5 мм.

Всего в радиаторе двенадцать каналов, по которым прокачивается теплоноситель, а плотность радиатора равна стандартным для СЖО этого класса 20-21 FPI.

Торцы радиатора ничем примечательным не выделяются: из основного выходят два статичных фитинга с опрессованными на них шлангами, а на противоположном вообще ничего нет (да и не должно быть).

Радиатор с помпой соединены парой шлангов из синтетического каучука (EPDM) в нейлоновой оплётке. Их длина равна 370 мм. Соединительных хомутов на шлангах нет.

Как вы уже наверняка для себя отметили, радиатор и шланги в MPG CoreLiquid P13 абсолютно стандартны и ничем не отличаются как от других моделей СЖО компании MSI, так и от систем жидкостного охлаждения иных производителей. А вот помпа и вентиляторы отличаются.

Итак, помпа. Её размеры равны 85 × 80 × 73 мм, а дизайн можно назвать минималистичным: эдакий короткий бочонок с чёрной глянцевой крышкой, в которую встроен 2,1-дюймовый IPS LCD-дисплей. Сразу обращает на себя внимание отсутствие каких-либо кабелей у помпы, но подробнее мы об этом расскажем чуть позже.

Скорость вращения ротора заявлена на отметке 3400 об/мин, что было подтверждено данными мониторинга. Интересно, что при такой довольно высокой скорости ротора энергопотребление насоса составило 2,5 ватта и соответствует указанному в её характеристиках. Уровень шума не должен превышать 20 дБА – это очень низкое значение для AiO СЖО. Нормативный срок службы подшипника заявлен на отметке 50 тысяч часов или более пяти с половиной лет непрерывной работы.

В основание помпы встроен медный водоблок с микроканальной структурой (заявлены 0,1 мм между каналами). В MSI особо обращают внимание на безвинтовой монтаж водоблока в основание помпы, что должно способствовать повышению герметичности и долговечности этого компонента СЖО. Хотя, за всё время тестов и эксплуатации AiO СЖО с водоблоками-то как раз никаких проблем не возникало.

Размеры основания водоблока равны 44 × 42 мм, а ровность контактной поверхности и качество её обработки не вызывают нареканий. На теплораспределителе процессора конструктивного исполнения Socket AM5 отпечаток термопасты получился равномерным по всей его площади.

Радиатор MSI MPG CoreLiquid P13 охлаждается тремя 120-мм вентиляторами CycloBlade 9 (DF1202512RFMN) с белой матовой рамкой и чёрной крыльчаткой. Последняя выделяется внешним кольцом, соединяющим все торцы девяти лопастей и имеет диаметр 110,5 мм.

По мнению MSI такая конструкция крыльчатки позволяет вентиляторам развивать мощный воздушный поток и высокое статическое давление. Последнее утверждение вызывает у нас определённый скепсис, поскольку основная доля статического давления в таких вентиляторах генерируется при взаимодействии лопастей и рамки вентилятора, а здесь она попросту вращается вместе с лопастями. И ещё момент: если CycloBlade 9 такие эффективные, то почему флагманская MEG CoreLiquid S360 оснащается вентиляторами с классической крыльчаткой и рамкой? Риторический вопрос.

Что интересно, статор вентилятора CycloBlade 9 фиксируется тремя прямыми стойками практически одинаковой ширины, из которых сразу две кабельные.

Скорость вращения вентиляторов регулируется автоматически широтно-импульсной модуляцией (PWM) в диапазоне от 500 до 2050 об/мин с допуском в 10%. Максимальный воздушный поток заявлен на отметке 64,89 CFM, а статическое давление вообще не указано, что странно, ведь оно должно быть «высоким», тогда почему бы не указать в характеристиках? Также скрыт от пользователя и спецификационный уровень шума вентиляторов.

Помимо всего прочего, на статорах вентиляторов указан тип подшипника: Rifle Bearing. Это так называемый подшипник скольжения с винтовой нарезкой, по которой перемещается смазка. Его нормативный срок службы должен составлять не менее 40 тысяч часов.

Добавим здесь, что максимальное энергопотребление одного вентилятора MSI CycloBlade 9 составило 1,48 Вт, а стартовое напряжение равно 3,0 В.

В уголках рамок вентиляторов есть миниатюрные резиновые демпферы, предназначенные для уменьшения передачи вибраций на радиатор и снижения уровня шума.

Вентиляторы последовательно соединяются друг с другом короткими коннекторами, которые при стыковке вентиляторов на радиаторе оказываются скрыты внутри рамок. Благодаря этому все три «вертушки» можно подключить единым кабелем к одному коннектору 4-pin на материнской плате. Причём, вообще все кабели СЖО выходят из радиатора со стороны фитингов.

Их длина не менее 400 мм, плюс есть небольшой переходник, о котором мы подробно расскажем уже в следующем разделе сегодняшней статьи.

#Совместимость и установка

Крепление водоблока системы MSI MPG CoreLiquid P13 совместимо с процессорами AMD конструктивного исполнения Socket AM5/AM4 и процессорами Intel конструктивного исполнения LGA1851/1700. При этом предельный тепловой пакет процессора, с которым система должна справиться, в её характеристиках не указан. В комплекте с нашим семплом СЖО инструкции не оказалось, но можно воспользоваться мануалом с сайта MSI (формат PDF, 5,27 Мбайт).

Прижим водоблока с помпой к процессору реализован универсальной монтажной пластиной с отверстиями трёх конфигураций в проушинах.

 AMD

AMD

 Intel

Intel

Пластина вставляется в пазы в основании помпы и плотно фиксируется со щелчком.

В свою очередь, на материнскую плату устанавливаются шпильки с двусторонней резьбой, которые на Intel вворачиваются в backplate из комплекта СЖО, а на AMD – в штатную усилительную пластину материнской платы.

С помощью этих шпилек и подпружиненных винтов водоблок накрепко прижимается к теплораспределителю процессора, а сверху на винты устанавливается пластиковая крышка EZ Cap с магнитным креплением.

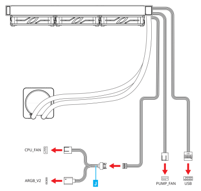
Она придаёт сборке завершённый и эстетически-приятный вид, чему дополнительно способствует отсутствие каких-либо кабелей в зоне процессорного сокета. Дело в том, что два кабеля, выходящие из помпы, запущены под оплётку шлангов и таким образом скрыты от глаз пользователя. Такую технологию в MSI назвали Streamline.

По правде сказать, она не нова, – другие производители давно интегрировали кабели в оплётку шлангов. Однако у MSI всё же есть фирменная фича при подключении кабелей к плате. Речь идёт о коннекторе JAF с подключением к разъёму JAF_1 или JAF_2 на плате MSI.

Если у вас материнская плата другого производителя или коннекторов JAF нет, то в MSI MPG CoreLiquid P13 предусмотрено подключение обычным способом. Оба варианта подключения приведены на схемах ниже.

Отдельно к внутреннему коннектору платы подключается кабель USB 2.0, который обеспечивает настройку дисплея, встроенного в крышку помпы и мониторинг параметров вашего компьютера.

Для этого потребуется установить программное обеспечение MSI Center, в котором можно активировать и настроить один из режимов работы дисплея помпы: аппаратный мониторинг, видео, системные часы или расширенный дисплей.

Дисплей яркий и чёткий, а картинку можно повернуть на 90/180/270 градусов, в зависимости от расположения СЖО в вашем корпусе. Количество настроек более чем исчерпывающее. Например, кроме температуры/частоты/потребления процессора, на него можно вывести такие же параметры видеокарты, а также любую картинку или GIF, как душе угодно.

Ну и напоследок продемонстрируем подсветку вентиляторов в разных режимах.

И да – она синхронизируется с подсветкой других компонентов системного блока, что видно на фото по подсветке радиатора VRM на материнской плате.

#Тестовая конфигурация, инструментарий и методика тестирования

Сравнение эффективности MSI MPG CoreLiquid P13 с соперниками было проведено в корпусе системного блока на следующей конфигурации:

  • материнская плата: Asus ROG Strix X870E-E Gaming WiFi (AMD X870, Socket AM5, BIOS 17.15 от 25.09.2025, AGESA 1.2.0.3g);
  • процессор: AMD Ryzen 9 9950X (Zen 5 Granite Ridge, TSMC 4nm FinFET, 16 ядер, 32 потока, 4,3-5,7 ГГц, 2×32 Мбайт L3, TDP 170 Вт);
  • термоинтерфейс: ID-Cooling Frost X45 [15,2 Вт/(м·К)];
  • оперативная память: DDR5 2 × 24 Гбайт Team Group T-Create Expert (CTCED548G7200HC34ADC01), XMP 7200 МГц 34-42-42-84 CR2 при 1,4 В;
  • видеокарта: NVIDIA GeForce RTX 2060 SUPER FE 8 Гбайт/256 бит, 1470-1650/14000 МГц;
  • накопители:
    • система и бенчмарки: Crucial T700 1 Тбайт (CT1000T700SSD3, PCIe 4.0 x4);
    • бенчмарки и игры: Patriot VIPER VP4300 1 Тбайт (VP4300-1TBM28H, PCIe 4.0 x4);
    • бенчмарки и игры: Netac N950E Pro 1 Тбайт (NT01N950E-001T-E4X, PCIe 3.0 x4);
    • бенчмарки: Gigabyte GP-AG4500G 0,5 Тбайт (PCIe 4.0 x4);
    • бенчмарки: SSTC Hammerhead P990 Pro Plus 1 Тбайт (PCIe 4.0 x4);
    • хранение: Intel SSD 730 0,5 Тбайт (SATA III, BIOS vL2010400);
    • архивный: Samsung Ecogreen F4 HD204UI 2 Тбайт (SATA II, 5400 об/мин, 32 Мбайт, NCQ);
  • корпус: Thermaltake Core X71 (шесть 140-мм be quiet! Silent Wings 3: три спереди на вдув 800-1050 об/мин, два сверху на выдув 800-1020 об/мин, один сзади на выдув 800-1610 об/мин, PWM-регулировка);
  • панель управления и мониторинга: Zalman ZM-MFC3;
  • блок питания: Thermaltake Toughpower GF3 (1,65 кВт, 80 Plus Gold), 135-мм вентилятор).

Для получения стабильных и объективно сопоставимых друг с другом результатов основные параметры процессора были зафиксированы в следующих значениях: частота BCLK – 100 МГц, множитель ядер – 51, частота – 5,1 ГГц, напряжение Vcore – 1,07-1,075 В. В BIOS материнской платы Asus был выставлен восьмой (максимальный) уровень стабилизации напряжения на ядре процессора (CPU load-line calibration).

По данным HWiNFO64, уровень тепловыделения процессора с такими настройками достигал 225 ватт. Эффективная частота оперативной памяти была зафиксирована на отметке 6,2 ГГц при напряжениях 1,320/1,320 В (VDD/VDDQ), а её основные тайминги фиксировались в значениях 32-38-38-48 CR1 с дополнительной подстройкой вторичных и третичных таймингов. Напряжение VSOC фиксировалось на отметке 1,210 В. Частота коммуникационной шины Infinity Fabric (FCLK) была установлена на 2,066 ГГц.

Тестирование было проведено в операционной системе Microsoft Windows 11 Pro версии 24H2 (26100.7171). Программное обеспечение, использованное для теста:

  • Cinebench R23 – для создания стресс-нагрузки на процессор (режим Test Throttling, два последовательных цикла примерно по 10 минут);
  • HWiNFO64 8.35-5875 – для мониторинга температур и визуального контроля всех параметров системы.

Снимок экрана мониторинга во время одного из циклов тестирования выглядит следующим образом.

Нагрузка на процессор создавалась двумя последовательными циклами Cinebench R23. На стабилизацию температуры CPU между циклами отводилось по 10 минут. За окончательный результат, который вы увидите на диаграмме, принята максимальная температура по датчику Tdie в пике нагрузки и в режиме простоя с учётом корректировки на дельту температуры окружения. Кроме этого, в отдельной таблице будут приведены температуры каждого кластера ядер процессора (CCD1 и CCD2). Температура в помещении контролировалась установленным рядом с системным блоком электронным термометром с точностью измерений 0,1 °C и с возможностью почасового мониторинга изменения температуры в помещении за последние 6 часов. Во время данного тестирования температура колебалась в диапазоне 23,2–24,6 °C (дельта учитывалась в результатах).

Измерение уровня шума систем охлаждения проводилось электронным шумомером «ОКТАВА-110А» в период от ноля до трёх часов ночи в полностью закрытой комнате площадью около 20 м2. Уровень шума измерялся вне корпуса системного блока, когда источником шума в помещении являлась только система охлаждения и её вентиляторы или только помпа. Шумомер, зафиксированный на штативе, всегда располагался строго в одной точке на расстоянии ровно 150 мм от ротора вентилятора. Системы охлаждения размещались на самом углу стола на подложке из вспененного полиэтилена. Нижняя граница измерений шумомера составляет 22 дБА, а субъективно-комфортный (просьба не путать с низким!) уровень шума систем охлаждения при измерениях с такого расстояния находится около отметки 36 дБА. За условно-низкий уровень шума мы принимаем значение 33 дБА.

Соперником MSI MPG CoreLiquid P13 сегодня выступит система с 360-мм радиатором такого же типоразмера – DeepCool LQ360.

Кроме этого, в тестирование включен воздушный суперкулер PentaWave Z06D SRB.

Добавим, что скорость вращения крыльчаток вентиляторов тестируемых систем охлаждения регулировалась в диапазоне от 800 об/мин до их максимума с шагом 100 или 200 об/мин с помощью специального контроллера, точность которого составляет ±10 об/мин.

#Эффективность охлаждения

По эффективности охлаждения ситуация для MSI MPG CoreLiquid P13 сложная. На максимальной скорости и вплоть до её снижения до 1400 об/мин новинка уступает DeepCool LQ360 от полутора до трёх с половиной градусов Цельсия, что в принципе немного для СЖО одного форм-фактора. Однако такие режимы работы вентиляторов СЖО малополезны для домашнего использования, поскольку уровень шума либо высокий, либо, как минимум, дискомфортный. А вот в скоростном диапазоне от 1200 до 800 об/мин отставание MSI MPG CoreLiquid P13 от конкурента составляет от 3,6 до 6 градусов Цельсия, и это уже приличная разница. Причина этому для нас очевидна – вентиляторы с закольцованной крыльчаткой неэффективны в этих скоростных режимах. Нет ни потока, ни давления, и вот результат. Примечательно, что на 800 об/мин MSI MPG CoreLiquid P13 выиграла у воздушного кулера менее трёх градусов Цельсия, хотя уровень шума у PentaWave Z06D SRB чуть ниже, чем у СЖО.

Далее мы повышаем частоту AMD Ryzen 9 9950X до 5,2 ГГц с увеличением напряжения до 1,120 В при том же восьмом уровне LLC.

После этого по данным HWiNFO64 тепловыделение процессора под стрессовой нагрузкой достигает 255-260 ватт, поэтому температуры заметно выросли, а воздушный кулер справился с этой задачей только на высоких скоростях вентиляторов, да и СЖО MSI обеспечила процессору стабильность не во всех режимах своих вентиляторов.

И вновь мы наблюдаем, как на высоких скоростях вентиляторов MSI MPG CoreLiquid P13 выглядит достойным соперником нашей эталонной DeepCool LQ360, а при снижении скорости начинает проигрывать вплоть до 4 градусов Цельсия, не считая режимов, в которых СЖО MSI не справилась с нагрузкой. Преимущество над PentaWave Z06D SRB на 1800 об/мин равно 4,3 градуса Цельсия, а на 1600 об/мин – 3,4 градуса. Это, разумеется, мало для 360-мм СЖО.

#Уровень шума

По графику уровень шума трёх вентиляторов MSI MPG CoreLiquid P13 практически такой же, как и у пары вентиляторов кулера PentaWave Z06D SRB, а вот по субъективной оценке характер шума более мягкий и ровный. У вентиляторов DeepCool LQ360 они выигрывают во всём скоростном диапазоне, пусть и не так много. Комфортными три вентилятора CycloBlade 9 остаются до скорости 1020 об/мин, а тихими их можно назвать при снижении скорости до 890 об/мин.

Помпа MSI MPG CoreLiquid P13 шумит на 31,4 дБА. С этим показателем на нашей сводной диаграмме и в таблице уровня шума помп ранее протестированных СЖО система попадает в лидирующую группу.

Тем не менее, мы не можем не отметить тот факт, что помпы предыдущих моделей СЖО MSI – MAG CoreLiquid I360 и E360 – работали заметно тише, да и в A15 помпа потише будет, так что MSI ещё есть что улучшить в своих новых СЖО.

#Выводы

В принципе понятно, что MSI выпустила новую MPG CoreLiquid P13 не для повышения эффективности охлаждения или снижения уровня шума – по сравнению с предыдущими моделями это всё осталось примерно на том же уровне. Главное нововведение – настраиваемый IPS-экран на помпе с выводом данных мониторинга и прочей информации в четырёх динамических режимах, который свои функции в полной мере выполняет. Плюсом к нему сделали симпатичную накладку на винты крепления помпы с водоблоком и спрятали все кабели в оплётку шлангов. Стала ли от этого СЖО интереснее? Определённо, да. Из недостатков отметим заметное снижение эффективности охлаждения в комфортных и тихих режимах работы вентиляторов, из-за закольцованных крыльчаток.

 
 
⇣ Содержание
Если Вы заметили ошибку — выделите ее мышью и нажмите CTRL+ENTER.

window-new
Soft
Hard
Тренды 🔥
Новая статья: Mixtape — воспоминания никто не отнимет. Рецензия 12 ч.
Google начнёт наказывать сайты за накрутку попаданий в ИИ-ответы 13 ч.
Московский суд оштрафовал владельца Deus Ex, Metro и Kingdom Come: Deliverance за отказ локализовать данные россиян 14 ч.
Спринт, торговля и продолжение сюжета: разработчики Subnautica 2 раскрыли план улучшения игры на ближайшие месяцы 16 ч.
ChatGPT получит прямой доступ к банковским счетам пользователей — для анализа расходов и финансовых советов 17 ч.
Трамп и Си Цзиньпин обсудили ограничения слишком умного ИИ и зависшие поставки Nvidia H200 17 ч.
Microsoft намерена избавить Windows 11 от главной причины «синих экранов» 17 ч.
Доминирование ChatGPT пошатнулось — Gemini и Perplexity быстро набирают обороты 18 ч.
Pragmata стала новой жертвой пиратов — игру взломали без гипервизора 18 ч.
YouTube Shorts набрали популярность на смарт-телевизорах — 2 млрд часов просмотра за месяц 19 ч.
Китай и США не заключили крупных сделок в технологическом секторе — это запустило распродажу акций производителей чипов 44 мин.
Apple тестирует производство чипов для iPhone на мощностях Intel 44 мин.
Китайские ИТ-гиганты ускорили переход на отечественные ИИ-ускорители, несмотря на возможное возвращение Nvidia 47 мин.
Дженсен Хуанг стал героем китайских соцсетей, перекусив лапшой и мороженым прямо на пекинской улице 2 ч.
Tesla сняла гриф секретности с отчётов о ДТП с участием своих роботакси 4 ч.
ArXiv запретила учёным загружать статьи, сгенерированные нейросетями — за это предусмотрен бан на один год 4 ч.
DJI анонсировала в Каннах карманную кинокамеру Osmo Pocket 4P 12 ч.
OpenAI перестраивается вокруг ИИ-агентов в рамках подготовки к IPO — ChatGPT и Codex объединят в единую платформу 12 ч.
Зонд Mars Express показал «хаос и кратеры», образовавшиеся в результате древних наводнений на Марсе 12 ч.
Asus и T1 выпустили лимитированные GeForce RTX для фанатов League of Legends 13 ч.