Сегодня 21 мая 2026
18+
MWC 2018 2018 Computex IFA 2018
реклама
Материнские платы

Обзор материнской платы MSI MAG B850 TOMAHAWK: лучшее предложение?

⇣ Содержание

У компании MSI на наборе системной логики AMD B850 в мейнстримовой серии MAG (MSI Arsenal Gaming) есть сразу три материнские платы с названием TOMAHAWK. Модель «Томагавка» Max WiFi мы уже тестировали прошлым летом, и к сегодняшнему дню она модернизирована до второй версии с некоторыми улучшениями и оптимизациями. А вот младшая версия этой платы с самым простым названием TOMAHAWK WiFi только ещё попала к нам на тесты и никаким оптимизациям не подвергалась. Вероятно, в MSI решили, что это и так самодостаточная плата с необходимым или даже исчерпывающим функционалом для создания игровой системы любого уровня? Хотя, может быть, они просто ждут нашего вердикта чтобы что-то улучшить. Так это на самом деле или нет, мы и попробуем выяснить в сегодняшнем материале.

#Технические характеристики и стоимость

MSI MAG B850 TOMAHAWK WiFi
Поддерживаемые процессоры Процессоры AMD Ryzen 9000/8000/7000 в исполнении Socket AM5
Чипсет AMD B850
Подсистема памяти 4 × UDIMM/CUDIMM DDR5 общим объёмом до 256 Гбайт;
двухканальный режим работы памяти;
поддержка модулей с частотами от 4800 до 5600 МГц (JEDEC) и от 5600 до 8200 МГц (OC);
поддержка AMD POR Speed, JEDEC Speed, AMD EXPO
Графический интерфейс 1 × HDMI 2.1 FRI (8K 60 Гц)
Разъёмы для плат расширения от процессора:
– 1 слот PCI Express 5.0 x16/x8/x4;
от чипсета AMD B850:
– 1 слот PCI Express 4.0 x4;
– 1 слот PCI Express 3.0 x1
Интерфейсы накопителей от процессора:
– 1 × M.2_1 поддерживает только PCIe-накопители 5.0 x4 длиной 60 или 80 мм;
– 1 × M.2_2 поддерживает только PCIe-накопители 4.0 x4 длиной 60, 80 или 110 мм;
от чипсета AMD B850:
– 1 × M.2_3 поддерживает только PCIe-накопители 4.0 x4 длиной 60 или 80 мм;
– 4 × SATA с пропускной способностью до 6 Гбит/с
Сетевые 5-гигабитный сетевой контроллер Realtek 8126;
интерфейсы беспроводной модуль Wi-Fi 7 Qualcomm QCNCM865 (802.11 a/b/g/n/ac/ax/be), до 5,8 Гбит/с, поддержка работы в диапазонах 2,4, 5 и 6 ГГц (ширина канала 320 МГц) и Bluetooth 5.4
Аудиоподсистема 7.1-канальный HD-аудиокодек Realtek ALC4080 32 бит/384 кГц:
– изоляция зоны аудио от остальных компонентов печатной платы;
– высококачественные конденсаторы;
– усилитель для наушников;
– разведение левого и правого каналов в разных слоях текстолита;
– минимизация щелчков
Интерфейс USB Общее число USB-портов – 17, в том числе:
– 1 порт USB 3.2 Gen2 Type-C 20 Гбит/с (на задней панели);
– 2 порта USB 3.2 Gen2 Type-C 10 Гбит/с (1 на задней панели и 1 внутренний);
– 2 порта USB 3.2 Gen2 Type-C 10 Гбит/с (на задней панели);
– 4 порта USB 3.2 Gen1 Type-A 5 Гбит/с (2 на задней панели и 2 внутренние);
– 8 портов USB 2.0 (4 на задней панели и 4 внутренние)
Разъёмы и кнопки на задней панели Кнопки Clear CMOS и Flash BIOS;
видеовыход HDMI 2.1;
два порта USB 3.2 Gen2 10 Гбит/с (Type-C + Type-A);
два порта USB 3.2 Gen1 Type-A 5 Гбит/с;
четыре порта USB 2.0;
порт USB 3.2 Gen2 Type-C 20 Гбит/с, порт USB 3.2 Gen2 Type-A 10 Гбит/с и сетевой порт 5G;
два коннектора SMA для антенн беспроводного модуля связи (2T2R);
оптический выход и два 3,5-мм аудиоразъёма
Внутренние разъёмы на текстолите 24-контактный разъём питания ATX;
8-контактный разъём питания ATX 12 В;
8-контактный разъём питания PCIe;
4 SATA 3;
3 M.2 Socket 3;
разъём USB Type-C для подключения порта USB 3.2 Gen2 10 Гбит/с;
разъём USB для подключения двух портов USB 3.2 Gen1 5 Гбит/с;
2 разъёма USB для подключения четырёх портов USB 2.0;
8 4-pin разъёмов для вентилятора(ов) системы охлаждения CPU, помпы СЖО и корпусных вентиляторов;
коннектор EZ Conn-header (JAF_2);
группа разъёмов для передней панели корпуса (JFP);
разъём аудио для передней панели корпуса (JAUD);
коннектор датчика открытия корпуса (JCI);
3 коннектора ARGB LED (поддержка адресуемых светодиодных лент 5В/3A);
коннектор RGB;
разъём для подключения систем безопасности TPM 2.0;
4 светодиода EZ Debug;
светодиод EZ Memory Detection;
коннектор Tuning Controller (JDASH);
две перемычки BCLK Frequency (JBCLK)
BIOS 512 Мбит UEFI AMI BIOS с мультиязычным интерфейсом и графической оболочкой
Контроллер I/O Nuvoton NCT6687D-R
Дополнительно (особенности) Восьмислойная печатная плата с применением технологии PCB Fabric;
система питания CPU 14+2+1 (80А SPS);
разгонный модуль OC Engine;
слот PCI-E Steel Armor II;
режим Memory Extension;
оригинальный BIOS Click Bios X;
пакет приложений MSI Center
Форм-фактор, габариты (мм) ATX, 244 × 305
Поддержка операционной системы Windows 11 x64
Гарантия производителя, лет 3
Розничная стоимость, руб. 23 299

#Упаковка и комплектация

Коробка MSI MAG B850 TOMAHAWK WiFi оформлена довольно просто, особенно её лицевая сторона, где приведено только название модели, чипсет и упоминание о 64-мегабайтном BIOS. Обратная сторона коробки интереснее: по ней можно узнать особенности платы, изучить её характеристики и порты на интерфейсной панели.

На торце коробки приклеен стикер с серийным номером платы, штрих-кодами, QR-кодами и указанием страны производства (разумеется, это Китай).

Внутри коробки плата лежит в антистатическом пакете на специальном поддоне, а под ним находятся комплектующие. В комплект поставки платы входит один кабель SATA, антенна беспроводного модуля связи, кабель передней панели корпуса EZ, кабель EZ Conn, кабель подсветки ARGB, винты для накопителей в портах M.2 и ключик к ним, краткая инструкция с гарантией, купон MSI Shout Out и набор наклеек.

А вот накопителя с драйверами и утилитами, как в старших платах, у этой модели нет. Впрочем, это не удивительно, поскольку розничная стоимость MSI MAG B850 TOMAHAWK WiFi составляет всего 23 299 рублей. При этом гарантийный срок, предоставляемый MSI на плату, равен трём годам, то есть такой же, как и на модели более дорогих серий.

#Дизайн и особенности

MSI MAG B850 TOMAHAWK WiFi построена на форм-факторе ATX (244 × 305 мм) на чёрном текстолите. Выглядит плата очень приятно и не кажется перегруженной радиаторами, как многие другие модели.

На радиаторах нанесены жёлтые логотипы и название модели платы с её серией. Основной радиатор цепи VRM выделяется массивностью и продольными рёбрами, увеличивающими площадь теплораспределения.

Чёрная панель портов ввода-вывода интегрирована в плату и содержит «джентльменский» набор портов для любых задач.

Здесь и кнопки Flash BIOS и Clear CMOS с видеовыходом HDMI версии 2.1, и десять разношёрстных портов USB, включая быстрые 20G и 10G, и сетевой порт 5G, и два коннектора SMA для антенн беспроводного модуля связи (2T2R), и два 3,5-мм аудиоразъёма, и даже редко кем используемый оптический выход.

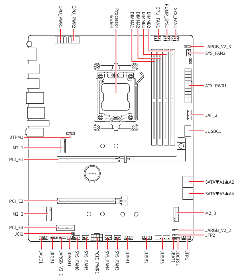
Схему расположения компонентов и портов на MSI MAG B850 TOMAHAWK WiFi мы приводим далее.

После снятия радиаторов MSI MAG B850 TOMAHAWK WiFi предстаёт перед нами во всей естественной красе.

В её основе лежит восьмислойный текстолит, произведённый по технологическому процессу «PCB Fabric». Он способствует повышению пропускной способности, снижению потерь сигнала, более точному контролю сопротивлений, а также повышению термостабильности при предельных нагрузках.

В плане процессорного сокета конструктивного исполнения AM5 никаких особенностей нет, это штатный разъём c мощной усилительной пластиной с обратной стороны платы, выпущенный компанией Lotes.

На сегодняшний день платой поддерживаются более 40 моделей процессоров AMD конструктивного исполнения Socket AM5, начиная с самого дешёвого AMD Ryzen 3 8300G до флагманского и очень дорогого Ryzen 9 9950X3D. Нет сомнений, что при выходе новых процессоров AMD этого же конструктива они также могут быть установлены в эту плату.

Каскад системы питания процессора построен по схеме «14+2+1» (CPU, SoC, iGPU), где процессорные фазы и фазы SoC построены на 80-амперных сборках DrMOS MP87670 производства Monolithic Power Systems, а питание встроенной графики – на 55-амперной DrMOS AOZ5516QI производства Alpha&Omega Semiconductor.

То есть плата по стоимости среднебюджетная, а процессору может выдать до 1120А!

Управление питанием процессора реализовано ШИМ-контроллером MPS MP2857 производства также Monolithic Power Systems.

А вот питанием фазы встроенной графики управляет ШИМ-контроллер Richtek RT3672EE.

Кроме этого, на плате есть тактовый генератор Renesas A053GND (RC56008) для управления частотой базовой шины. Такие микроконтроллеры вообще нетипичны для плат бюджетного или даже среднего уровня, так что MSI MAG B850 TOMAHAWK WiFi в этом плане выгодно отличается от конкурентов.

Подключение кабелей блока питания к плате реализовано стандартным 24-контактным разъёмом и парой 8-контактных разъёмов с цельнометаллическими иглами.

Также у MSI MAG B850 TOMAHAWK WiFi есть один 8-контактный разъём для усиленного питания слотов PCIe x16. Отметим, что такое сочетание разъёмов питания не характерно для плат этого ценового уровня.

На плате четыре слота DIMM для оперативной памяти стандарта DDR5. Из аппаратных улучшений заявлен передовой производственный процесс пайки слотов к печатной плате Surface Mount Technology (SMT), в результате которого повышена надёжность и стабильность, а так называемые наводки сведены к минимуму. И не забываем, что в первую очередь модули нужно устанавливать в слоты А2 и B2, что указано прямо на текстолите.

Всего на MSI MAG B850 TOMAHAWK WiFi можно установить четыре модуля суммарным объёмом 256 Гбайт. Что касается максимальной эффективной частоты памяти, то здесь она заявлена на отметке 8,2 ГГц, хотя в BIOS доступны значения выше 10 ГГц. На странице поддержки платы в помощь пользователю приведён перечень квалифицированных для этой модели комплектов «оперативки». Из фирменных программных технологий поддерживаются MSI Memory Boost и MSI Latency Killer. Последняя может дать до 12% снижения латентности памяти.

Набор системной логики AMD X870E охлаждается большим плоским радиатором с термопрокладкой.

В тандеме с центральным процессором чипсет обеспечивает исчерпывающий функционал современных интерфейсов и портов, приведённый на следующей схеме.

На MSI MAG B850 TOMAHAWK WiFi три слота PCIe. Первый, версии 5.0, подключён к процессору и облачеён в металлическую оболочку Steel Armor, усиливающую слот и экранирующую его контакты от электромагнитных помех.

Для удобного извлечения видеокарты из этого слота предусмотрен механизм EZ-PCIE-Release с кнопкой.

Второй слот PCIe также полноразмерный, но работает от чипсета в режиме 4.0/x4, а третий чипсетный – в режиме 3.0/x1.

Пожалуй, первый (и единственный) признак средне-бюджетной платы у MSI MAG B850 TOMAHAWK WiFi – всего три порта M.2 для SSD. В ранее протестированной нами версии MAX таких портов четыре, как и у её второй модификации. Тем не менее,все порты здесь оснащены радиаторами, причём первый (M.2_1) – быстросъёмным с защёлкой. Он работает от центрального процессора и поддерживает установку высокоскоростных SSD PCIe 5.0 длиной 60 или 80 мм.

Второй M.2_2 также работает от центрального процессора, но поддерживает SSD версии 4.0 длиной 60, 80 или 110 мм. Наконец, третий M.2_3 подключён к чипсету и работает с накопителями PCIe 4.0 длиной 60 или 80 мм. Накопители SATA портами M.2 не поддерживаются (похоже, этот класс SSD вообще отмирает).

Для подключения классических HDD на плате предусмотрены четыре порта SATA, размещённые в горизонтальной ориентации (не люблю вертикальные SATA, и хорошо, что их здесь нет).

Они реализованы одной чипсетной линией PCIe 3.0 и хабом ASMedia ASM1064.

На MSI MAG B850 TOMAHAWK WiFi два сетевых контроллера. Проводной реализован 5-гигабитным чипом Realtek RTL8126.

Беспроводные соединения обеспечивает модуль Wi-Fi 7 Qualcomm QCNCM865, работающий на частотах 2,4, 5 и 6 ГГц (ширина канала 320 МГц), а максимальная пропускная способность даже выше, чем у проводного, и может достигать 5,8 Гбит/с. Есть поддержка Bluetooth 5.4, функции приоритизации трафика и настройки ширины полос пропускания с использованием технологий искусственного интеллекта (AI LAN Manager).

В распоряжении MSI MAG B850 TOMAHAWK WiFi семнадцать портов USB. Десять из них, включая быстрый Type-C 20G, выведены на интерфейсную панель платы, и вы их уже видели выше. Ещё семь можно подключить к внутренним разъёмам.

В их числе один быстрый Type-C 10G, пара USB 3.2 Gen1 Type-A 5 (Гбит/с) и четыре USB 2.0.

В основе звукового тракта лежит 7.1-канальный HD-аудиокодек Realtek ALC4080 (32 бит/384 кГц), рядом с которым распаяны пять конденсаторов разной ёмкости.

Аппаратные улучшения звука реализованы изоляцией зоны аудиотракта от остальных компонентов токонепроводящей полоской и разведением левого и правого каналов в разных слоях печатной платы. Также здесь есть усилитель для наушников и аппаратная защита от щелчков.

За управление вентиляторами и мониторинг на MSI MAG B850 TOMAHAWK WiFi отвечает контроллер Nuvoton NCT6687D-R.

Всего на плате восемь 4-pin коннекторов для вентиляторов и (или) помп систем жидкостного охлаждения.

По мощности разъёмы реализованы, можно сказать, стандартно: для помпы здесь трёхамперный коннектор мощностью 36 Вт, для процессорного кулера – 2А и 24 Вт, а для шести корпусных вентиляторов – 1А и 12 Вт.

Кроме этого, у MSI MAG B850 TOMAHAWK WiFi есть фирменный разъём EZ Conn (JAF_2), к которому можно одновременно подключить и вентилятор, и адресуемую подсветку, для чего в комплекте с платой есть кабель-переходник.

Индикатора POST-кодов на платах такого уровня, как правило, не бывает, и MSI MAG B850 TOMAHAWK WiFi в этом плане не исключение. Но есть линейка из четырёх светодиодов EZ Debug LED (CPU/DRAM/VGA/BOOT), которая может помочь диагностировать проблему при старте системы.

Каждый индикатор загорается своим цветом, и если именно на нём застопорилась процедура POST, то виновника можно определить быстро и безошибочно.

В нижней части платы распаяно большое количество разъёмов, среди которых сразу четыре 4-pin и два USB 2.0, а также пара разъёмов для подключения подсветки (RGB и ARGB). За подсветку на плате отвечает контроллер Nuvoton NUC126.

Что касается системы охлаждения платы, то тепловых трубок в ней нет, но радиаторы выделяются массивностью и продуманной конструкцией, а также оснащены качественными термопрокладками, которые не рассыпаются при их снятии с платы.

Такой вот предстала перед нами MSI MAG B850 TOMAHAWK WiFi. Теперь вкратце познакомимся с её BIOS и сразу следом перейдём к тестированию.

#Возможности UEFI BIOS

Последняя доступная на момент подготовки материала версия BIOS для MSI MAG B850 TOMAHAWK WiFi, датированная… и была 23 марта 2026 года, имела номер 1A31 и успешно прошита в плату перед тестированием. При первом входе в BIOS пользователю предлагается выбрать автоматический режим работы технологии PBO (Precision Boost Overdrive), либо её принудительной активации. Мы рекомендуем оставить режим по-умолчанию. После этого оболочка загружается в упрощённом режиме EZ Mode с базовыми настройками «одним кликом» и панелью мониторинга в правой части окна.

Переключение в расширенный режим оболочки реализовано привычной клавишей F7. После её нажатия в левой панели открывается шесть основных разделов, в центре сами настройки каждого раздела, справа панель мониторинга, сверху иконки утилит и переключение языка оболочки, а снизу накопители для загрузки.

В основном разделе Advanced размещены настройки интегрированных контроллеров платы, портов, питания, безопасности и активации утилит MSI при загрузке операционной системы.

Однако наиболее интересен раздел Overclocking с каким-то невероятным количеством настроек центрального процессора, оперативной памяти, напряжений и режимов их стабилизации.

Возможности по настройке таймингов оперативной памяти и сопутствующих им параметров в BIOS тестируемой платы MSI также неисчерпаемы, и самое главное, что работают они безупречно и предсказуемо.

Другой вопрос – найдётся ли у пользователя время чтобы всё это изучить и отрегулировать?

В Overclocking находится и крайне важный подраздел DigitALL Power с режимами стабилизации напряжений процессора и силовых цепей платы. На MSI MAG B850 TOMAHAWK WiFi предусмотрено восемь уровней стабилизации напряжения на ядре CPU, где 1-й – наиболее сильный, а 8-й – самый слабый. Эффективнее остальных работает третий уровень, который мы регулярно используем в таких тестах.

Детальная информация о процессоре и об установленной в плату оперативной памяти приведена в отдельных подразделах BIOS.

Тремя оставшимися основными разделами BIOS является безопасность, загрузка и сохранение параметров после настройки BIOS.

Мониторинг и управление каждым из восьми вентиляторов/помп, подключённых к плате, реализованы во встроенной в BIOS утилите Hardware Monitor.

Всё удобно и функционально, но ещё пару точек на кривой регулировки, пожалуй, стоит добавить для более тонкой настройки.

Неплохо бы увеличить и количество слотов для сохранения профилей BIOS, коих сейчас всего шесть. Четыре, например, я сразу занял во время тестирования платы, а пользователю в процессе её эксплуатации может потребоваться куда больше предусмотренных шести.

Ну и традиционно отметим, что при выходе из BIOS отображаются все внесённые в него изменения и что со стабильностью оболочки на MSI MAG B850 TOMAHAWK WiFi всё в полном порядке.

#Разгон и стабильность

Проверка стабильности и производительности материнской платы MSI MAG B850 TOMAHAWK WiFi была проведена в закрытом корпусе системного блока при температуре в помещении 25,5 градуса Цельсия. Конфигурация тестового стенда состояла из следующих комплектующих:

  • материнская плата: MSI MAG B850 TOMAHAWK WiFi (AMD B850, Socket AM5, BIOS E7E53AMSI.1A31 от 23.03.2026);
  • процессор: AMD Ryzen 9 9950X (Zen 5 Granite Ridge, TSMC 4nm FinFET, 16 ядер, 32 потока, 4,3-5,7 ГГц, 2×32 Мбайт L3, TDP 170 Вт);
  • система охлаждения CPU: AiO СЖО DeepCool LQ360;
  • термоинтерфейс: ID-Cooling Frost X45 [15,2 Вт/(м·К)];
  • оперативная память: DDR5 2 × 24 Гбайт Team Group T-Create Expert (CTCED548G7200HC34ADC01), XMP 7200 МГц 34-42-42-84 CR2 при 1,4 В;
  • видеокарта: NVIDIA GeForce RTX 2060 SUPER FE 8 Гбайт/256 бит, 1470-1650/14000 МГц;
  • накопители:
    • система и бенчмарки: Crucial T700 1 Тбайт (CT1000T700SSD3, PCIe 5.0 x4);
    • бенчмарки и игры: Patriot VIPER VP4300 1 Тбайт (VP4300-1TBM28H, PCIe 4.0 x4);
    • бенчмарки: Adata Legend 960 Max 1 Тбайт (PCIe 4.0 x4);
    • бенчмарки: SSTC Hammerhead P990 Pro Plus 1 Тбайт (PCIe 4.0 x4);
    • хранение: Intel SSD 730 0,5 Тбайт (SATA III, BIOS vL2010400);
  • корпус: Thermaltake Core X71 (шесть 140-мм be quiet! Silent Wings 3 PWM: три спереди на вдув 800-1050 об/мин, два сверху на выдув 800-1020 об/мин, один сзади на выдув 800-1610 об/мин, PWM-регулировка);
  • блок питания: Thermaltake Toughpower GF3 (1,65 кВт, 80 Plus Gold), 135-мм вентилятор.

Тестирование было проведено под управлением операционной системы Microsoft Windows 11 Pro версии 24H2 (26100.8039) с установкой следующих драйверов:

  • чипсет материнской платы AMD Chipset Drivers – 8.01.20.513 от 09.03.2026;
  • драйверы видеокарты – GeForce 595.71 WHQL от 02.03.2026.

Стабильность системы мы проверяли стресс-тестом из бенчмарка рендеринга Cinebench R23 и другими утилитами, а мониторинг проводился с помощью HWiNFO64 версии 8.45-5945.

Основные характеристики MSI MAG B850 TOMAHAWK WiFi приведены из утилиты HWiNFO64.

Первый запуск и тест MSI MAG B850 TOMAHAWK WiFi был проведён при автоматических настройках BIOS, но с активированным XMP2 оперативной памяти.

Плата корректно выставила частоту памяти (6 ГГц) и первичные тайминги (38-38-38-78_1T), а вот с остальными пользователю придётся повозиться самому, чтобы повысить производительность.

Стресс-тест 16-ядерного AMD Ryzen 9 9950X на MSI MAG B850 TOMAHAWK WiFi был пройден с такими показателями мониторинга.

Настройки BIOS по-умолчанию

В принципе всё довольно неплохо: процессор разгонялся до 5,54 ГГц, а под нагрузкой работал на 4,84 ГГц по CCD1 и 4,54 ГГц по CCD2. Напряжение на ядре повышалось вплоть до 1,372 В, но этим на автомате грешат все платы (и мы имеем ввиду не только убрать AMD). Температура процессора повышалась до 75 градусов Цельсия, а температуры VRM цепей лишь до 51 градуса Цельсия, что особенно приятно видеть после тестирования компактной MSI MPG X870I Edge Ti Evo WiFi.

Зная пределы тестового процессора, мы сразу же выставили его частоту по всем ядрам на 5,2 ГГц, зафиксировали LLC на третьем уровне и подбирали минимально возможное напряжение. Последнее оказалось равно 1,090 В.

После этого были получены следующие показатели мониторинга при прохождении стресс-теста.

 5,2 ГГц, 1,090 В, LLC3

5,2 ГГц, 1,090 В, LLC3

На фиксированной частоте 5,2 ГГц температура процессора повышалась только до 80 градусов Цельсия, VRM – до 53,5 градуса, а потребление процессора достигало отметки 221 ватт. Отличные показатели, придраться не к чему и запас по температурам ещё приличный. Поэтому мы выставили частоту ядер CPU на отметке 5,3 ГГц и снова подбирали минимальное напряжение. Для такой частоты оно оказалось равно 1,155 В, что заметно ниже, чем при автоматических настройках BIOS.

Тепловыделение AMD Ryzen 9 9950X выросло до 255 ватт, а температура процессора под 360-мм СЖО до 91,1 градуса Цельсия.

 5,3 ГГц, 1,155 В, LLC3

5,3 ГГц, 1,155 В, LLC3

Отметим, что цепи VRM материнской платы даже при такой серьёзной нагрузке охлаждаются отлично, поскольку их температура повысилась только до 58,5 градуса Цельсия. Тем не менее резервы по разгону этого экземпляра процессора уже исчерпаны, поэтому дальше внимание было уделено настройке оперативной памяти, благо для этого у MSI MAG B850 TOMAHAWK WiFi есть отличный арсенал возможностей.

После нескольких часов тестов на частоте DDR5 6,2 ГГц при повышении FCLK до 2,133 ГГц первичные тайминги комплекта Team Group T-Create Expert (CTCED548G7200HC34ADC01) были настроены в значениях 32-38-38-48_1T, а также выставлены правильные значения вторичных и третичных таймингов, которые вы можете увидеть на скриншоте ниже.

Стабильность тестировалась утилитой TestMem5 v0.13 с пресетом «1usmus v3» (без фанатизма) и бенчмарками типа 7-Zip и blender. Показанный выше результат был получен при напряжениях VDD/VDDQ 1,320/1,310 В, с последующим снижением VDDIO с 1,350 до 1,300 В, а также VSOC с 1,300 до 1,190 В. В итоге в финальном стресс-тесте процессора с настроенной памятью температура снизилась на 1 градус Цельсия.

В завершение тестового блока приведём результаты пяти бенчмарков при автоматических настройках BIOS, при фиксации частоты процессора на 5,3 ГГц без настройки памяти и, наконец, на такой же частоте процессора, но уже с настроенной «оперативкой».

Как видим, прирост зафиксирован почти везде, да и, судя по последней графе, пренебрегать настройкой таймингов памяти определённо не стоит.

#Заключение

Пожалуй, MSI MAG B850 TOMAHAWK WiFi – идеальный пример того, сколь серьёзно за последние пару лет выросли недорогие материнские платы. Судите сами: мощнейшая система питания центрального процессора на восьмислойной PCB, внешний тактовый генератор, поддержка оперативной памяти с частотами до 8,2 ГГц (официально, реально – ещё выше) и объёмом до 256 Гбайт, PCIe 5.0 для самых быстрых видеокарт, три M.2 плюс четыре SATA, семнадцать USB, два сетевых контроллера, включая Wi-Fi 7, топовый звуковой контроллер, масса всяких фирменных оптимизаций и, наконец, почти идеальный BIOS без малейшего намёка на какие-то ошибки. Причём, MAG – это лишь младшая игровая серия плат у MSI (помним про MPG и MEG?), да и низкая стоимость как-бы намекает на ценовой класс платы ниже среднего. Тем не менее крайне сложно представить, что ещё можно уместить в эти деньги и чего ещё можно желать. На наш взгляд, MSI MAG B850 TOMAHAWK WiFi – одно из лучших предложений на российском рынке среди плат на наборе системной логики AMD B850 в границах 23 тысяч рублей.

 
 
⇣ Содержание
Если Вы заметили ошибку — выделите ее мышью и нажмите CTRL+ENTER.

window-new
Soft
Hard
Тренды 🔥
Postgres Professional представила СУБД Postgres Pro AXE для гибридных нагрузок 2 ч.
Цукерберг успокоил сотрудников Meta: новых массовых увольнений в этом году не ожидается 2 ч.
Microsoft позвала звёздного аналитика Мэттью Болла спасать стратегию Xbox 3 ч.
«Очередной шедевр Amanita»: авангардная головоломка Phonopolis от авторов Machinarium и Samorost стартовала в Steam с рейтингом 96 % 4 ч.
Embracer подтвердила сроки релиза следующей игры Warhorse Studios — новая Kingdom Come может выйти уже в 2027 году 6 ч.
Хакеры слили данные клиентов Trump Mobile и раскрыли реальные продажи смартфона T1 7 ч.
Сетевой боевик Spellcasters Chronicles от авторов Detroit: Become Human закроется спустя четыре месяца раннего доступа, зато у Star Wars Eclipse всё хорошо 7 ч.
Apple похвалилась, что пресекла мошеннические транзакции на $11,2 млрд за шесть лет и на этом не остановится 8 ч.
Owlcat раскрыла статистику участников «беты» The Expanse: Osiris Reborn и рассказала, как будет улучшать игру после критики фанатов 8 ч.
«Ваше мнение имеет значение»: разработчики Subnautica 2 помогут игрокам защититься от рыб, но оружие добавлять не будут 9 ч.
Первые тесты Lisuan LX 7G100 показали: Китай научился делать GPU для современных игр, но пока небыстрые 3 ч.
Samsung увернулась от забастовки, способной взвинтить цены на память — рабочие добились повышения премий 4 ч.
AM4 жив! Юбилейный Ryzen 7 5800X3D AM4 10th Anniversary Edition появился в продаже в Индии за $310 5 ч.
Китайские учёные впервые в истории запитали несколько движущихся по воздуху целей микроволновым лучом 5 ч.
Founders Edition, но не от Nvidia: китайская Lisuan Tech показала игровую видеокарту LX 7G100 в эталонном исполнении 5 ч.
Alibaba представила ИИ-ускоритель Zhenwu M890, который втрое быстрее предшественника 7 ч.
Суперкомпьютер по подписке: Bull предоставила Airbus инфраструктуру HPC-as-a-service 7 ч.
«Билайн бизнес» сообщил о массовом внедрении аудиобейджей с ИИ — они проанализировали 600 тысяч часов разговоров 8 ч.
Представлен iQOO 15T — игровой смартфон с разогнанным Dimensity 9500, 200-Мп камерой и батареей на 8000 мА⋅ч 8 ч.
AMD готовит мини-ПК Ryzen AI Halo для вайб-кодинга без облака за $3999 9 ч.